PRODUCTS

5000L tequila open fermentation tanks

A 5000-liter tequila fermentation tank is a specialized medium-to-large vessel engineered for the agave fermentation process, with these key features:
1. Adopt an open structure that allows natural air circulation and the growth of wild yeast on agave mash, endowing tequila with a unique and complex flavor profile.
2. Usually made of food-grade stainless steel or food-safe concrete; concrete tanks can further regulate temperature and add subtle mineral notes to the fermented mash.

PRODUCT DESCRIPTION

A 5000-liter tequila fermentation tank is a specialized medium-to-large vessel engineered for the agave fermentation process, with these key features:

1. Adopt an open structure that allows natural air circulation and the growth of wild yeast on agave mash, endowing tequila with a unique and complex flavor profile.

2. Usually made of food-grade stainless steel or food-safe concrete; concrete tanks can further regulate temperature and add subtle mineral notes to the fermented mash.

3. Equipped with manual or mechanical stirring devices to turn over the agave fibers floating on the surface, ensuring full contact between sugars and yeast and improving fermentation efficiency.

4. Designed with shallow depth to increase the contact area between mash and air, which is in line with the traditional tequila fermentation process and suitable for small-batch artisanal production.

5. Have simple and durable structures, with easy-to-clean inner walls and convenient discharge ports at the bottom, matching the high-frequency batch operation needs of tequila distilleries.


2000L 5000L tequila open top fermentation tanks


NO.

Item

Model

Qty

Technical Specifications

Photos

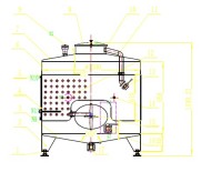
1. Fermentation system

01

5000L tequila open top fermentation tanks


5000L

1pcs

• Stainless steel 304

• open top

• Sample valve

• tequila outlet and drain outlet assembly

• Fully welded cladding

•Top Manhole Cover

• with cooling jacket

• RTD Probe

• 2″ Butterfly valves

• 2″ PVRV

• Bimetallic thermometer

aebf7ff36d1737f8c820d9037a867676


Get a quote

SUBMIT

Packing and shipping

  • 微信图片_20260106111249_4703_51
  • 微信图片_20251218115158_917_58
  • packaged tanks2
  • {19A05451-3BBE-4256-91BE-DCB54A4256E8}
  • 微信图片_20251215092419_4177_51
  • 微信图片_20260117103431_1293_58
  • 微信图片_20250811092913_158_75
  • 拼柜包装1